Поручень-опора для спины на унитаз
Поручень-опора для спины изготовлен из нержавеющей стали и имеет мягкую подушку для комфортной эксплуатации, изделие предназначено для поддержки спины и установки в комплекте с унитазом.
Связаться с менеджером
						В соответствии с требованиями СП 59.13330.2020 п. 6.3.3: при адаптации для инвалидов санузлов, обязательным является установка устройств, обеспечивающих опору для спины при использовании унитаза.
Поручень-опора для спины изготовлен из нержавеющей стали и имеет мягкую подушку для комфортной эксплуатации, изделие предназначено для поддержки спины и установки в комплекте с унитазом.

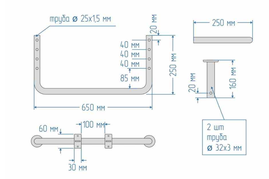
| Назначение поручней | для унитаза (все модели), для унитаза арт. 4620 длиной 700мм, высотой 470мм, для унитаза арт.2729 длиной 600мм, высотой 450мм | 
|---|---|
| Тип конструкции | фиксированный | 
| Тип крепления | пристенный | 
| Материал поручней | нержавеющая сталь | 
| Диаметр | 25 мм | 
| Количество точек опоры | 2 | 
| Материал подушки | Фанера, иск. кожа, поролон 50 мм | 
| Общий размер поручня (мм) | 250-370х650 | 
| Размер подушки | 140х300 мм | 
| Цвет | хром | 






